成都桑拿论坛 成都伴闲论坛_17C论坛桑拿论坛官网_成都桑拿论坛 成都伴闲论坛

浙轮电力主营APF有源电力滤波装置、电容器系列、电抗器系列、智能复合开关和无功补偿控制器等产品。
ZLDL-电抗器系列
ZLDL-DV/DT滤波电抗器
所属分类:ZLDL-电抗器系列

 应用电路:
异步电机变频传动,变频器输出侧,抑制开关频率纹波电流所衍生的高次谐波电流,降低长电缆行波反射dv/dt瞬变电压,从而降低电机涡流损耗及噪音,?;さ缁怠V饕τ糜诘缭吹缪构摺⒗系缁脑?、非变频电机绝缘强度较低、频繁制动、较长电缆传输场合。


性能特点


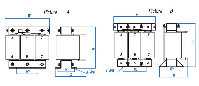
尺寸及技术参数:


dv/dt滤波器技术参数:


 备注:
产品标示A、B、C为滤波器三相输入端,X、Y、Z为滤波器三相输出端。



主站蜘蛛池模板: 靖宇县| 彭山县| 菏泽市| 锦州市| 鄂伦春自治旗| 安陆市| 普宁市| 潮州市| 勃利县| 土默特左旗| 华宁县| 黄浦区| 东明县| 海南省| 清原| 海盐县| 绿春县| 乡宁县| 宜阳县| 六安市| 佛冈县| 会同县| 随州市| 南丰县| 辽阳市| 南平市| 宜春市| 平遥县| 济源市| 江达县| 安龙县| 五华县| 万安县| 宿松县| 海伦市| 壤塘县| 台东市| 红原县| 北京市| 朝阳市| 梅河口市|